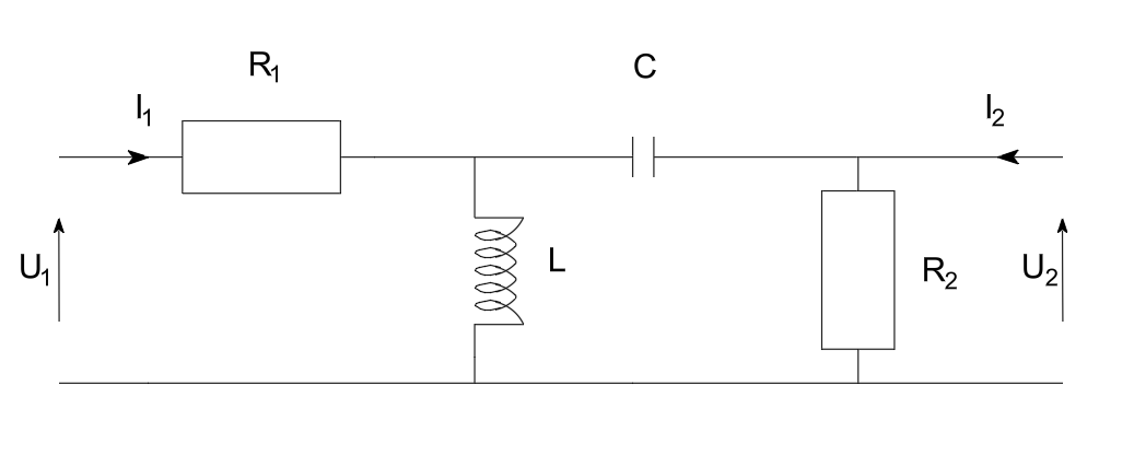
Wyznaczyć macierz łańcuchową czwórnika.
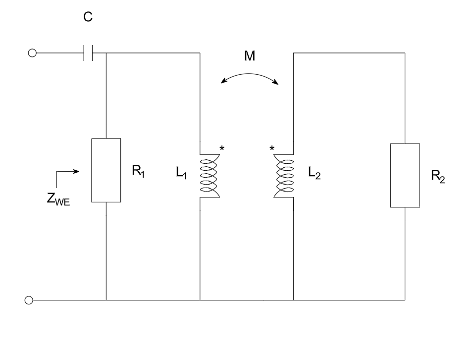
Wyznaczyć impedancję wejściową obwodu. Dane: \( R_1=10\Omega, R_2=5\Omega, X_{L_1}=\omega L_1=10\Omega, X_{L_2}=\omega L_2=20\Omega, X_M=\omega M=5\Omega, X_C=\frac{1}{\omega C}=10\Omega, \)