Teoria obwodów

Metoda Thevenina

  1. Czym jest metoda Thevenina? - definicja i zastosowanie
  2. Kroki metody Thevenina - algorytm postępowania
  3. Video - wyjaśnienie metody
  4. Przykłady zastosowania metody
    • Przykład 1 - obliczanie prądu w gałęzi

Czym jest metoda Thevenina?

metoda thevenina
Rys. 1. Schemat ilustrujący metodę Thevenina

Twierdzenie Thevenina, nazywane również twierdzeniem o zastępczym źródle napięcia, brzmi na początku dość skomplikowanie, ale jego użycie okaże się bardzo proste, kiedy zobaczymy je na przykładzie.

Nie będziemy wchodzić zbyt głęboko w teorię stojącą za tym twierdzeniem, w sporym uproszczeniu mówi ono, że:

Stacjonarny, liniowy i skupiony obwód elektryczny można zastąpić obwodem złożonym z idealnego źródła napięcia (źródło Thevenina) oraz impedancji (rezystora w obwodach prądu stałego).

Co istotne metoda ta służy do obliczania prądu w pojedynczej gałęzi układu więc jest świetna do weryfikacji obliczeń dokonanych innymi metodami, ułatwia też wiele bardziej zaawansowanych zagadnień.

Kroki metody Thevenina

Kroki metody:

  1. Wyłączamy z obwodu gałąź dla której prąd chcemy policzyć
  2. Dla reszty obwodu obliczamy:
    1. Napięcie źródła Thevenina
    2. Impedancję (rezystancję) zastępczą (porównaj -> rezystancja zastępcza)
  3. Dołączamy te elementy do badanej gałęzi i obliczamy prąd w tej gałęzi

Video - wyjaśnienie metody

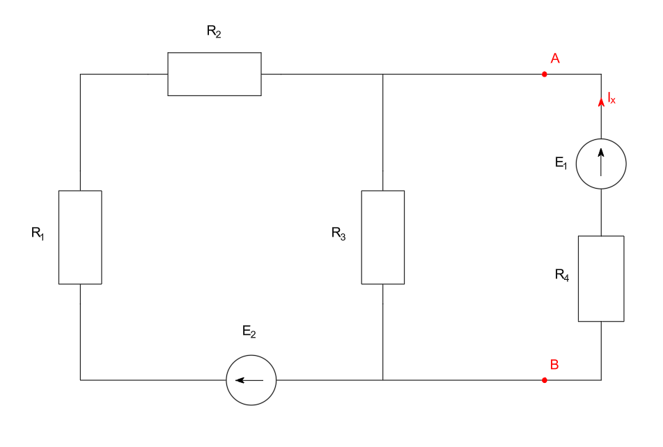
Przykład 1

Treść

Korzystając z metody Thevenina wyznacz prąd \(I_x\)

metoda thevenina przykład 1 schemat
Rys. 2. Schemat obwodu - przykład 1

Dane: \(R_1=10 \Omega, R_2=20 \Omega, R_3=30 \Omega, R_4=20 \Omega, E_1=130 V, E_2=120 V\)

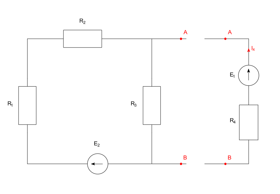
Rozwiązanie

Krok 1 - Wyłączamy z obwodu gałąź dla której prąd chcemy policzyć

metoda thevenina przykład 1 krok 1
Rys. 3. Obwód po wyłączeniu badanej gałęzi

Krok 2 - Dla reszty obwodu obliczamy napięcie źródła Thevenina

metoda thevenina przykład 1 krok 2
Rys. 4. Obliczanie napięcia Thevenina
$$ \begin{aligned} &I=\frac{E_2}{R_1+R_2+R_3}=2A\\ &E_T=-I \cdot R_3=-60V \end{aligned} $$

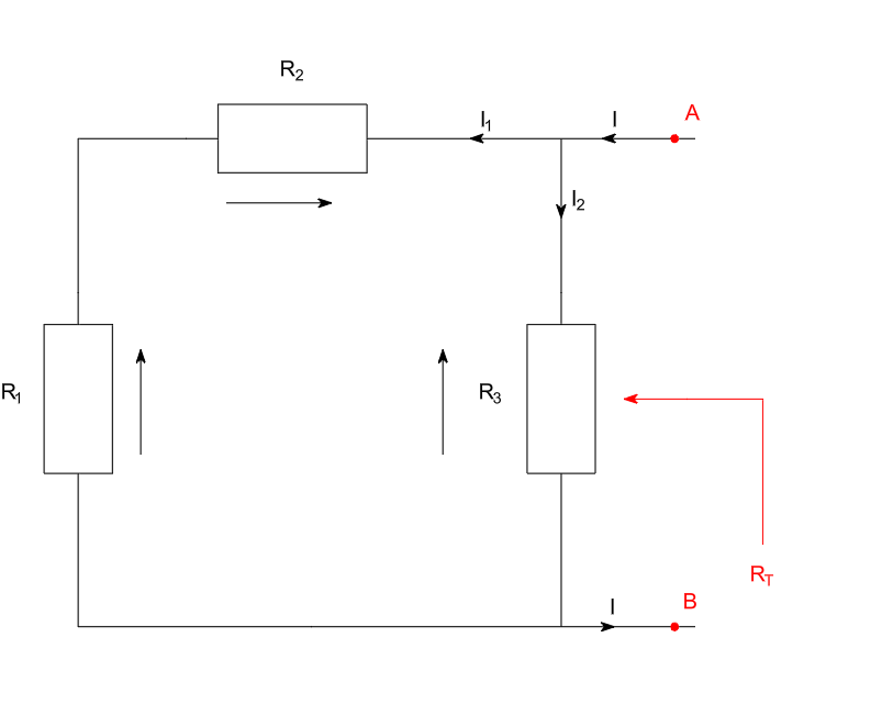
Krok 3 - Dla reszty obwodu obliczamy impedancję (rezystancję) zastępczą

metoda thevenina przykład 1 krok 3
Rys. 5. Obliczanie rezystancji zastępczej
$$R_T=\frac{\left(R_1+R_2\right) \cdot R_3}{R_1+R_2+R_3}=15\Omega$$

Krok 4 - Dołączamy te elementy do badanej gałęzi i obliczamy prąd w tej gałęzi

metoda thevenina przykład 1 krok 4
Rys. 6. Obwód zastępczy Thevenina z badaną gałęzią
$$I_x=\frac{E_1+E_T}{R_T+R_4}=2A$$