EduPanda Logo
  • nav.examples
    • subjects.electrical_theory
    • subjects.technical_mechanics
    • subjects.structural_mechanics
    • subjects.fluid_mechanics
    • subjects.numerical_methods
    • subjects.robot_structural
    • subjects.strength_materials
    • subjects.glossary
  • nav.calculators
  • nav.pricing
    /
    /
    /
footer-logo
media-instmedia-youtubemedia-fb

footer.copyright

nav.examples

  • subjects.electrical_theory
  • subjects.technical_mechanics
  • subjects.structural_mechanics
  • subjects.fluid_mechanics
  • subjects.numerical_methods
  • subjects.robot_structural
  • subjects.strength_materials
  • subjects.glossary
nav.calculators
subjects.formulas_charts
Shop
Sitemap
media-instmedia-youtubemedia-fb

footer.copyright

Układy trójfazowe

Uklady Trojfazowe

  1. Edupanda
  2. /
  3. Teoria obwodów
  4. /
  5. Układy trójfazowe
  6. /
  7. Uklady Trojfazowe

Przykład 1

Przykład 1

Obliczyć prądy, moc i bilans mocy w obwodzie trójfazowym, narysować wykres wektorowy obwodu. Dane: \( R=10, X_C = 10, X_L = 10, |U_F|=400.\)

Zobacz przykład →

Przykład 2

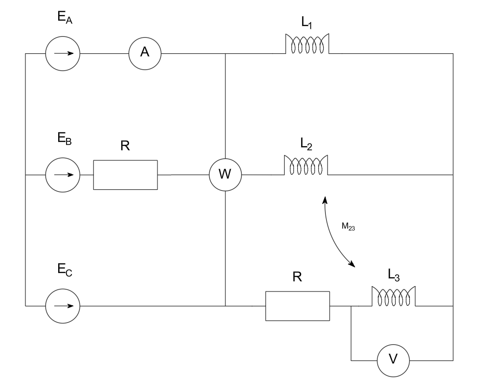
Przykład 2

Wyznaczyć wskazania przyrządów w obwodzie trójfazowym, narysować wykres wektorowy dla obwodu po eliminacji sprzężenia. Dane: \( |E_f| = 200V, R=50\Omega, X_1=\omega L_1 = 20\Omega, X_2=\omega L_2 = 30\Omega, X_3=\omega L_3 = 40\Omega, X_{23}=\omega M_{23} = 20\Omega \)

Zobacz przykład →

Przykład 3

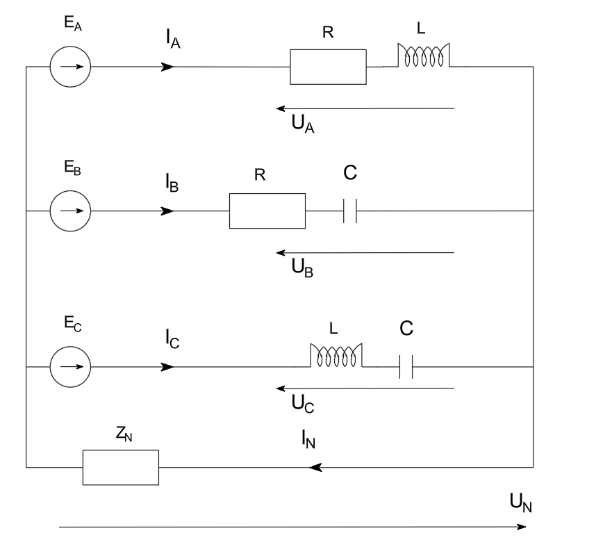
Przykład 3

Obliczyć moc czynną wydzieloną w przewodzie neutralnym w obwodzie przedstawionym na rysunku. Dane: \( e_{A}(t)=220 \sqrt{2} \sin (\omega t) V, R=100 \Omega, X_{L}=X_{C}=50 \Omega, Z_{N}=(3+\mathrm{j} 4) \Omega \)

Zobacz przykład →

Przykład 4

Przykład 4

Symetryczne źródlo napięcia odksztalconego o napięciu fazy A wynoszącym \( e_{A}(t)=\left(10+100 \sqrt{2} \sin \omega_{1} t+10 \sqrt{2} \sin 3 \omega_{1} t\right) V \) zasila niesymetryczny odbiornik polączony w gwiazdę. Obliczyć wskazania przyrządów w tym ukladzie. Dane: \( R=14 \Omega, X_L^{(1)}=X_C^{(1)}=30 \Omega \).

Zobacz przykład →